Каталог
Каталог Написать в WhatsApp
Мотоэкипировка

Впускной коллектор 4-Х ТАКТНОГО ПЛМ MERCURY 60 Серийный номер от 0P515897 и выше

Впускной коллектор 4-Х ТАКТНОГО ПЛМ MERCURY 60 Серийный номер от 0P515897 и выше в Сыктывкаре: актуальный каталог, цены, фото, описание. Купите впускной коллектор 4-х тактного плм mercury 60 серийный номер от 0p515897 и выше в кредит – оформите заявку онлайн за 1 минуту!

Оригинальные запчасти

Артикул НАИМЕНОВАНИЕ Кол-во деталей в узле Примечание Наличие Цена Аналоги Фото
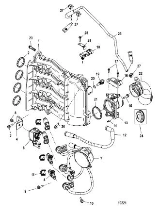
1 877829T06 MANIFOLD ASSEMBLY, Intake - Complete

Под заказ

1

Под заказ

уточнить

Купить
2 877829T01 Коллектор (INTAKE MANIFOLD)

Под заказ

1

Под заказ

уточнить

Купить
3 879866 *Прокладка

Под заказ

1

Под заказ

уточнить

Купить
4 877834 BRACKET

Под заказ

1

Под заказ

уточнить

Купить
5 401366 Гайка (NUT, (M6))

Под заказ

1

Под заказ

уточнить

Купить
6 877805T Клапан соленоида (SOLENOID VALVE)

Под заказ

1

Под заказ

уточнить

Купить
7 879887T Топливная рейка (TFI SYSTEM)

Под заказ

1

Под заказ

уточнить

Купить
8 877831A1 Трубка (HOSE)

Под заказ

1

Под заказ

уточнить

Купить
9 877831A02 THROTTLE BODY

Под заказ

1

Под заказ

уточнить

Купить
10 8M0000578 SCREW, Adjustment

Под заказ

1

Под заказ

уточнить

Купить
11 8M0125617 Датчик (SENSOR)

Под заказ

1

Под заказ

уточнить

Купить
12 881060 SCREW

Под заказ

2

Под заказ

уточнить

Купить
13 854445 Датчик давления (SENSOR (MAP))

Под заказ

1

Под заказ

уточнить

Купить
14 885342002 Датчик температуры двигателя (SENSOR ASSY-TEMP )

Под заказ

1

Под заказ

уточнить

Купить
15 896699 Уплотнительное кольцо (O-RING, (1.78 mm x .08 mm))

Под заказ

1

Под заказ

уточнить

Купить
16 879867 GASKET

Под заказ

1

Под заказ

уточнить

Купить
17 893521 Ослабитель (ATTENUATOR)

Под заказ

1

Под заказ

уточнить

Купить
18 8248326 Болт (SCREW)

Под заказ

8

Под заказ

уточнить

Купить
19 8831483 RESTRICTOR

Под заказ

1

Под заказ

уточнить

Купить
20 8831482 RESTRICTOR

Под заказ

1

Под заказ

уточнить

Купить
21 8M0091417 HOSE-BREATHER

Под заказ

1

Под заказ

уточнить

Купить
22 850181 TIE STRAP, (11.750 Inches)

Под заказ

3

Под заказ

уточнить

Купить
23 8214281 Болт (SCREW, (#10-16 x .625))

Под заказ

1

Под заказ

уточнить

Купить
24 8M0007495 RETAINER

Под заказ

1

Под заказ

уточнить

Купить
25 883599A02 Набор прокладок (GASKET SET)

Под заказ

1

Под заказ

уточнить

Купить

Нулевая цена не означает отсутствие товара. Оформите заказ, и менеджер сообщит вам цену и наличие товара, предварительно запросив их у поставщика

Главная Магазины
Корзина0
Профиль