Каталог
Каталог Написать в WhatsApp
Мотоэкипировка

Инструменты (Часть 1) 4-Х ТАКТНОГО ПЛМ MERCURY 6 Серийный номер от 0R067090 и выше

Инструменты (Часть 1) 4-Х ТАКТНОГО ПЛМ MERCURY 6 Серийный номер от 0R067090 и выше в Сыктывкаре: актуальный каталог, цены, фото, описание. Купите инструменты (часть 1) 4-х тактного плм mercury 6 серийный номер от 0r067090 и выше в кредит – оформите заявку онлайн за 1 минуту!

Оригинальные запчасти

Артикул НАИМЕНОВАНИЕ Кол-во деталей в узле Примечание Наличие Цена Аналоги Фото
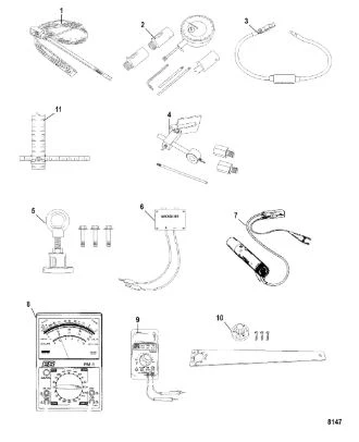
1 24937T01 HOLDER-FLYWHEEL

Под заказ

1

Под заказ

уточнить

Купить
2 58222A1 Набор индикаторов (DIAL INDICATOR)

Под заказ

1

Под заказ

уточнить

Купить
3 63998A1 Тестер свечной (SPARK CHAMBER)

Под заказ

1

Под заказ

уточнить

Купить
4 83155 Кронштейн-держатель ADAPTOR KIT

Под заказ

1

Под заказ

уточнить

Купить
5 83164M Съемник (puller)

Под заказ

1

Под заказ

уточнить

Купить
6 890451 ADAPTOR TOOL

Под заказ

1

Под заказ

уточнить

Купить
7 99379 Стробоскоп (timing light)

Под заказ

1

Под заказ

уточнить

Купить
8 99750A1 Тестер (DVA/MULTI METER)

Под заказ

1

Под заказ

уточнить

Купить
9 892647A01 Мультиметр (TACH/MULTI METER)

Под заказ

1

Под заказ

уточнить

Купить
10 804552 *** *Держатель маховика (PULLER/HOLDER-FLY)

Под заказ

1

Под заказ

уточнить

Купить
11 37299Q2 Устройство подачи масла (GUN-GREASE @4)

Под заказ

1

Под заказ

уточнить

Купить

Нулевая цена не означает отсутствие товара. Оформите заказ, и менеджер сообщит вам цену и наличие товара, предварительно запросив их у поставщика

Главная Магазины
Корзина0
Профиль